联系人:姚先生
电话:0523-84980593
手机:13033580493
传真:0523-84523339
地址:江苏省靖江市团结开发区
地铁系列
地铁系列
SDS系列隧道射流风机
一、 工作原理与特点
1、 SDS系统射流风机是一种轴流式通风机,适用于铁路、公路遂道的纵向通风,也可用于其它类似的通风场合。
2、 SDS系列射流风机一般悬挂在隧道顶部,可纵向串联式布置,也可在隧道同一个断面内并联布置,不占用交通面积,安装方便。
3、 该风机工作时,将隧道内的一部分空气从风机的进风端吸入,并以较高的动能从风机的出风端喷出,喷出的气流将能量传达给隧道内的剩余空气,推动隧道内的有害气体顺风机喷射气流的方向排出隧道,在此同时流入新鲜空气,降低隧道内的一氧化碳浓度,提高隧道的可见度。
4、 对于单向行车的隧道,射流风机的气流方向与行车方向一致,对于双向行车的隧道,视两个方向车流量的大小,确定通风方向。
5、 经优化设计的叶轮,气动性能佳、流量大、效率高。
6、 所在转动件经过精确动平衡,运转平稳(叶轮平衡精度G≤4.0mm/s)。
7、 风机钢结构件均经防腐处理,特殊情况下还可选用其它防腐材料。
风机在-250C~400C的温度下可持续运行,高温情况下(≥2500C)允许短时间运行

组合式风量调节阀
简介
CYF系列风量调节阀是我公司集国内外同类产品的优点,设计、研制成功的密闭式调节阀。它具有结构简单合理,摩擦阻力小,运转灵活,叶片合成后机械性能好,耐腐蚀、泄露率小且适合空气温度范围超过JB/T7228-9411级,达到2800C或4000C的特殊要求。该阀可以广泛应用于工业和民用,尤其是非管道连接的组合联合联动阀,更适合地下通道,地铁,人防等通风排烟系统中。
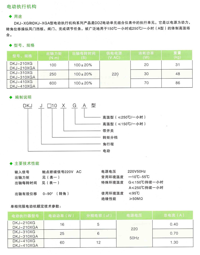
电动执行机构
用途:DKJ-XG和DKJ-XGA型电动执行机构系列产品是DDZ电动单元组合仪表中的执行单元。它是以电源为动力,转角位移操纵风门挡板、阀门、完成调节任务,被广泛地用于1500C一小时或2500C/一小时(A型)的体制高温场合。








ZPX型大风量片式消声器系列
本产品由本公司自行设计开发。2002年通过上海同济大学声学研究所测试,可适用于地下铁路、公路隧道、地下车库和发电站等大中型通风工程。具有通风量大、降燥量高、吸声频带宽、压力损失小及防火、防潮等特点,已应用于上海地铁一号线、南京地铁三号、上海地铁四号线、上海复兴东路隧道等工程中。
ZPX型消声器系列共有91种规格,消声量≥28dB(A),阻力系数≤1.02,适用风量为4m3/S-112m3/S。




